Transformer Theory and Calculators

Transformers change AC voltages.

They change voltage by stepping up the primary voltage on the secondary side

or stepping down the voltage.

They are also used to match impedance and as isolating devices that isolate the ground.

A.C. is required to operate transformers because the voltage induction that occurs between

the primary and secondary requires a rapidly expanding and collapsing electromagnetic field

that only alternating current provides.

Electrical power transmitted as high voltage has a reduced current.

Smaller cable sizes can be used.

The cost effectiveness of smaller cables is the reason for high voltage distribution but it must be stepped back down for consumer safety.

         Transmission of Electrical Energy

       Tesla Commemorative Statue Niagara Falls


 

 

 

 

Edison had a monopoly on DC power generation and many DC devices
1| 2 |



Tesla solved DC's transmission "problem" using 3 Phase AC

    

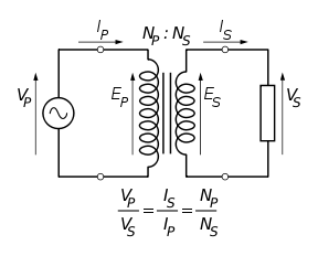
Notice that the relationship between the Turns (N) ratio of ...

Np / Ns = Vp / Vs

However due to conservation of energy

Np / Ns = Is / Ip (inverse relation)

meaning that when the voltage is transformed higher the current is transformed lower

   RIGHT HAND RULE

Thumb points in the direction of current flow

 

Fingers point north in the direction of magnetic field vectors

Magnetic fields point from north to south
An expanding collapsing magnetic field will induce a voltage in a coil

 

 

Right hand rule

Thumb in direction of current fingers point in direction of magnetic field vectors (North)

 

 

Lenz's law states that

- that the current induced in a circuit due to a change or a motion in a magnetic field is so directed as to oppose the change in flux and to exert a mechanical force opposing the motion.

The light bulb is energized by current induced in the upper coil by the changing magnetic of the lower coil that is connected to an AC source.

The iron pipe (core) concentrates the magnetic feild.

A safe way for consumers to plug in their electric vehicles.

primary = insert

secondary = slot

 

Toothbrush cradle

Primary = cradle

Secondary = base of tooth brush

 


Ideal Transformer Equations

 

Simple transformer calculations assume an ideal transformer

Real transformers have loses due to

  • Resistance of winding
  • Eddy currents which is current induced in the iron core Laminations help
  • Hysteresis which is the heat produced when iron atoms in the core vibrate in the core
  • Flux leakage - when primary feild is not interacting with the secondary due to poor core design

1) Turns ratio = _____

2) Step up or Step down?

3) If Vp = 100V

then

Vs = ______?

 

4) If Ip = 5 A

then

Is = ______?

 

5) Pp = 500 W

then

Ps = ______?




Answers

            Np = Ns

An isolationg transformer does not change voltages.

It is used on test benches where the possibility of shock is high so the potential to ground has been eliminated.

Step down pole transformer stepping down 8000V to
single phase 120/240V
- note the neutral supported triplex cable

- lines 1 + 2 twist around the bare neutral support cable

3 Phase industrial transformer

The ignition coil in an ICE is a step up transformer

The primary is energized and deenrgized when
mechanical points open close

or

When Hall effect transistors switch on / off the coil and generate high voltage for sparking the fuel at the spark plugs

Hall Effect Transisitors are used in most vehicles as a breakerlessmeans to initiate a spark
but the ignition coil remains.
AKA - CDI / Electronic Ignition systems


Speaker Cross Over Network

In a crossover network for speaker column

  • Woofer circuit has a series inductor that has low impedance to low freq

  • the midrange has caps and inductors that filter out high and low frequencies

  • Tweeter has a capacitor in series that impedes low frequencies and passes high frequencies
  • each speaker has a physical resonant frequency in the range it functions within

Current Transformer

Current Transformer

ct

Line cable passes through whole

    What would happen if the line and         neutral passed through the passageway together?

 

            

 

 

        Current Transformers

  • used to measure current

 

  • record Electrical Energy consumption

 

  • moniotor ground faults

 

 

 

 

 

 

Transformer Action

 

3 Phase Transformers