transistor
          amplification action  

 
The 2 opposing diode junctions of the emitter and collector are forward biased when current flows out of the base in an NPN and into a PNP transistor.
A small base current controls a much larger E-C current which drives a load (speaker, solenoid, light, etc.)


 


 

The  amplifying action of a transistor starts with a signal from a transducer such as a microphone, CD player, or process control instrument etc.
This signal is small but when fed to the base is enough to forward bias the emitter/collector junction and allow current to flow in proportion to the base current.

There are a variety of amplifier types but they all follow the same principles.

 

 


Gain is the term used to describe the amount of amplification that an amp is capable of.  (also called Beta or Hfe )

example: if a 10 milliwatt signal from a microphone is amplified to a 1watt output then...
 
GAIN = Pout / Pin  = 1000mw / 10mw  = 100 (no unit they divide out!!)

 



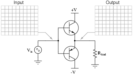
PUSH PULL AMPLIFIER

 

The class B Push Pull Amp is a typical output stage of a power amplifie

 

 

 

 

 

 

 

 


 


Amplifiers are often built up from 2 or more stages to enhance the amplification. A preamp stage can be followed by a more powerful driver output stage. An amp that uses both PNP and NPN transistors is the Push Pull amplifier. The NPN transistor amplifies the positive side of the wave and the PNP amplifies the negative side of the wave.


This 2 stage Push Pull Amp has 2 stages. Preamp and Power.

The capacitors at the input and output allow the alternately signal current to "pass" through while stabilizing the transistor circuits.
 

 

 

 

 


 



T
his audio amplifier has 2 sections (left right channels) each with a large power transistor.


The heat sinks are to radiate heat from the transistors.

 


do you know how speakers work?



transistor switching >>>>>>>

a couple of amplifier circuits >>>>>